Linear16-x.HV Piezoelectric Positioner
Low Temperature Series, Smallest Linear Stage with Closed-Loop Control
· Specification
*In principle, there is no requirement on the total resistance of wiring used to drive a Multifields low temperature piezo-positioner (50 ohm below recommended).
Linear16-x.HV
Linear16-x.HV.ULT
Linear16-x.UHV
Linear16-x.UHV.ULT
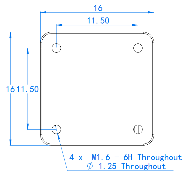
Footprint
16 mm*16 mm
Height
10.5 mm
Weight
10 g
Work Environment
Work Environment
Temperature range: 1.4 – 400 K; Vacuum degree: 1E-7 mbar; Maximum magnetic field: 35 Tesla
Ultra-low 30 mK (Option 1)
Ultra-high Vaccum 2E-11 mbar (Option 2)
Materials
Mainbody
Pure Ti
BeCu
Pure Ti
BeCu
Wires
Phosphor Bronze Twisted Paired Wire 20 cm
Pins Materials
Polyester (Glass Fiber Filled), BeCu
Peek, BeCu
Pins
Driven – 2 pins
Sensor – 3 pins
Motion
Travel Range
3 mm
Max. Velocity @300 K
~ 2 mm/s
Drive Voltage
Max. 200 V
Load
50 g
Dynamic Force
1.5 N
Closed-loop Sensor
Position Encoder
Resistive Sensor
Encode Range
3 mm
Resolution
~ 150 nm
Repeatability
1-2 um
Schematic


Options
